|
Бренд
|
Alcadrain |
|
Гарантия
|
3 года |
|
Длина (Глубина), см
|
80 |
|
Гидрозатвор
|
Да |
|
Страна
|
Чехия |
|
Диаметр слива, мм
|
50 |
|
Материал
|
пластик |
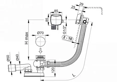
Полуавтоматический слив-перелив для ванны Alcaplast A564CRM1-80 изготавливается из высококачественных материалов.
Слив-перелив система с функцией наполнения ванны.
Аэратор марки Neoperl удобный доступ и замена.
Клапан управления из нержавеющей стали.
Вода не течет по стенке ванны, что предотвращает налет.
Минимальный отступ от стенки системы в ванной видна лишь поворотная накладка.
Простая установка тремя винтами из нержавеющей стали.
Мокрый гидрозатвор с вращающимся коленом.
Закрытие сливного клапана с помощью троса Боудена.
Гибкий шланг системы перелива.
Боковая подводка с латунной резьбой G1/2 для предварительно подготовленной воды.
Длина сифона для ванны 80 см.
Технические характеристики:
Гидрозатвор: 50 mm.
Сток воды: 48,6 l/min.
Скорость перелива: 33,6 l/min.
Сопротивление гидрозатвора против давления: 588 Pa.
Термическая устойчивость: 95 градусов.
В комплекте поставки:
Корпус сифона с системой перелива.
Поворотная стальная накладка, хромированная.
Пробка из хромированного пла
Слив-перелив система с функцией наполнения ванны.
Аэратор марки Neoperl удобный доступ и замена.
Клапан управления из нержавеющей стали.
Вода не течет по стенке ванны, что предотвращает налет.
Минимальный отступ от стенки системы в ванной видна лишь поворотная накладка.
Простая установка тремя винтами из нержавеющей стали.
Мокрый гидрозатвор с вращающимся коленом.
Закрытие сливного клапана с помощью троса Боудена.
Гибкий шланг системы перелива.
Боковая подводка с латунной резьбой G1/2 для предварительно подготовленной воды.
Длина сифона для ванны 80 см.
Технические характеристики:
Гидрозатвор: 50 mm.
Сток воды: 48,6 l/min.
Скорость перелива: 33,6 l/min.
Сопротивление гидрозатвора против давления: 588 Pa.
Термическая устойчивость: 95 градусов.
В комплекте поставки:
Корпус сифона с системой перелива.
Поворотная стальная накладка, хромированная.
Пробка из хромированного пла
Отзывы
Оставить отзыв
Загрузка отзывов...

